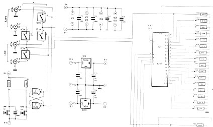
Digital Volume Control

I got this schematic from a headphone amplifier.

The main component is the 4067 which just has 16 FET switches. the switches can each be switched by a 4Bit binair input. The binair input is done by the 4029 counter.